Verdrahtungssatz für 2 Abholungen mit Toggle
Alles zum Verdrahten eines 2-Abholinstruments mit zwei Bedienelementen und einem 3-Wege-Kippschalter.
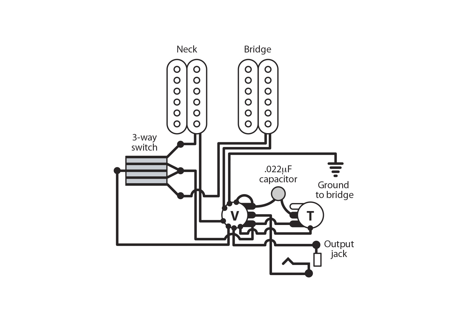
Ähnlich wie viele Epiphone®-, Gibson®- und Samick®-Verkabelungen.Einfaches Schaltbild im Lieferumfang enthalten.
Kabelsatz, 2-fach-Abholung mit Toggle umfasst:
| Menge | Artikel | |||
| 1 | Ausgangsbuchse (Chrom) | |||
| 1 | Kondensator .022uF | |||
| 2 | Knöpfe (schwarz und cremefarben) | |||
| 1 | 3-Wege-Kippschalter: | |||
| Abschnitt mit Gewinde | 5/16" | (7,94 mm) | ||
| Erforderlicher Durchmesser der Befestigungsbohrung | 1/2" | (12,70 mm) | ||
| Erforderliche Tiefe des Fachs im Korpus | 15/16" | (23,81 mm) | ||
| 2 | 5,0-K Alpha Control Töpfe | |||
| Durchmesser der Welle | 6 mm geteilte Welle, grobe Rändelung | |||
| Gewinde | M8 x 0,75 | |||
| Abschnitt mit Gewinde | 3/8" | (9,52 mm) | ||
| Erforderlicher Durchmesser der Befestigungsbohrung | 5/16" | (7,94 mm) | ||
| 12" | Nicht abgeschirmter Gitarrendraht, 22AWG weiß | |||
| 24" | Nicht abgeschirmter Gitarrendraht, 22AWG schwarz | |||
| 60" | Geschirmter Gitarrendraht, 26AWG Innenleiter, schwarz | |||
| Verdrahtungsanleitung | ||||


