Golden Age Restauration Tuner für Mandolin im A-Stil
Der frühe 1900er Look ist wieder auflebend! Lange erwartete Ersatzmodelle für die Tuner im A-Stil, die von Gibson und anderen Herstellern vom 1910er . bis 1925. verwendet wurden.
Die Konfiguration „Schneckengetriebe unter Stringpfosten“ und der breitere Vintage-Ständerabstand sind ideal, um ältere Mandoline wiederherzustellen und ihre Abstimmung zu verbessern und moderne Nachbildungsinstrumente authentischer zu machen. Unsere Relic-Version mit Nickel-Finish hat den richtigen Look, um Vintage-Hardware zu ergänzen.„Menschen, die Replika-Instrumente bauen oder Restaurierungs- oder Reparaturarbeiten durchführen, werden diese einfach lieben.“
– Frank Ford, Experte für die Reparatur von Vintage-Instrumenten
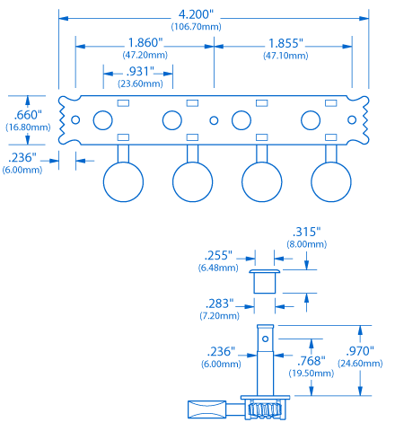
Besonderer Hinweis zum Stringabstand! Diese Tuner verfügen über einen historisch korrekten (1910s-1925) 0,931" String-Stiftabstand. Dies ist breiter als der Standardabstand von 0,906" (29/32"). Bitte messen Sie vor der Bestellung den Abstand Ihrer Mandolinenstringpfosten.
Stahl-Basisplatten haben die ursprüngliche Form des frühen 1900er , inzidierte „Fadenstreifen“ und quadratische, genietete Schneckenstützen im Vintage-Stil.
Jedes Set enthält:
• Paar 4-linke, 4-rechte Abstimmungsmaschinen
• Press-Fit Steckbuchsen
• 1920s-style Befestigungsschrauben
| Übersetzung | 15:1 |
| Buchsen-Durchmesser | 0,283" (7,19 mm) |
| Durchmesser des Stringpfostens | 0,236" (6 mm) |
| Abstand der Zeichenfolgenstifte | Anfang 1920er .931" (23,65 mm) |
Diese Nachbau-Tuner haben vor dem Zweiten Weltkrieg einen speziellen Abstand für den Jahrgang Gibson und andere Marken. Bitte beachten Sie, dass unser Standardabstand Bohrvorrichtung die genauen Löcher für diese Tuner nicht ausrichten.
Tipps für den Einbau
Befestigungsschrauben: Vorbohren ist nötig. Das Eindrehen von dünnen Schrauben in hartes Holz erfordert viel Sorgfalt und Genauigkeit. Wir empfehlen dir den Bohrer mit Tiefenanschlag (# 1714) (3/32"-Bohrer) für das Vorbohren, bevor du diese Schrauben einbaust. Schmiere die Schraubengewinde mit Schneideschmiermittel (auch Wachs oder Seife ist möglich) ein, damit sie besser gleiten und sich leichter eindrehen lassen.
- Artikel #
- Gewicht
- 2505
- 0,3100 lbs. (0,14 kg)
- 2505-N
- 0,3160 lbs. (0,14 kg)
- 2506
- 0,3160 lbs. (0,14 kg)
- 2523-B
- 0,315 lbs. (0,14 kg)








