Metrischer 3-Wege-Toggle
Installations- und Verdrahtungsanweisungen für den 3-Wege-Toggle, einschließlich Diagrammen für Les Paul, SG, Jimmy Page Les Paul und andere 2-Pickup-Gitarren.
Dieser zweipolige 3-Wege-Schalter wird häufig für Les Paul® und andere 2-Pick-up-Gitarren verwendet.
Hinweise zur Verdrahtung
Reduzieren Sie unerwünschte elektrische Störungen durch Verwendung eines abgeschirmten Koaxialkabels für längere Verdrahtungen (z. B. die Verbindung zwischen den Steuerungen und der Ausgangsbuchse). Das Koaxialkabel enthält einen zentralen „heißen“ Leiter, der durch ein Außengeflecht abgeschirmt ist, das für das Erdungskabel verwendet wird.
Für kurze Verbindungen zwischen Komponenten verwenden Sie nicht abgeschirmte Standarddrähte. Typischerweise wird weißes Kabel für heißes und schwarzes Kabel für die Erdung zur Brücke verwendet.
Über unsere Kits
Stewart-MacDonald Verdrahtungskits enthalten schwarz-weiße, nicht abgeschirmte Drähte sowie abgeschirmte Koaxialkabel. Zusätzliche schwarze Drähte zum Verlegen einer Erdung zur Brücke sind im Lieferumfang enthalten.
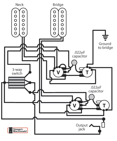
#1802 Kabelsatz für Zwei-Pickup-Gitarre ![]()
Dieser Schaltplan ist für jede Zwei-Pickup-Gitarre mit Hummern, Einzelspulen oder einer Kombination aus beidem (Masterlautstärke, Masterton) geeignet.
#0133 Les Paul-Verdrahtungskit und SG-Verdrahtungskits Nr. 0125 ![]()

Alternative Verdrahtung für die Lautstärkeregelung
Sie können beide Lautstärkeregler eines Les Paul (oder eines anderen Dual-Volumenregelungsinstruments) verdrahten, damit Sie das Volumen der Abholungen unabhängig voneinander mischen können. Dadurch wird das Problem in der mittleren Position des Wahlschalters gelöst, bei dem das Herunterfahren einer Lautstärkeregelung beide Abholungen betrifft.
#0126 JPLP-Verdrahtungssatz ![]()
Mit dem JPLP-Verdrahtungssatz (Jimmy Page Les Paul) können Sie die Brückenaufnahme mit einer push-pullTonsteuerung spulenschneiden. Die andere Funktion der JPLP-Verdrahtung ist, dass sich die Brückenaufnahme in der mittleren Position des Aufnahmewählers außerhalb der Phase mit der Halsaufnahme befindet.
In diesem Setup kann der Brücken-Humbucker keine 2-Leiter-Aufnahme sein. Die Aufnahme muss über 3 oder 4 Leiter sowie eine Abschirmung oder einen blanken Draht verfügen. Befolgen Sie die Spezifikationen Ihres Abholherstellers und verdrahten Sie die Reihenverbindung (Spulenschnitt) mit dem push-pull-Topf, wie im Diagramm gezeigt. Verbinden Sie den blanken Draht und den typischen „heißen“ Draht mit der Masse (normalerweise die Rückseite des Volumenbehälters). Verdrahten Sie dann das typische Erdungskabel mit der Eingangsöse der Brückenaufnahme-Volumensteuerung. Dies sollte Ihnen einen Außer-Phase-Sound in der mittleren Position geben. Wenn nicht, drehen Sie einfach die heißen und geerdeten Drähte der Brückenaufnahme um.
