Golden Age Restauration Tuner für Mandoline im Oval Hole F-Stil
Die richtige Passform für Ihre ovalen Gibson Mandolinen im Vintage-F-Stil
. Erstmals überall verfügbar! Die richtigen Ersatz-Tuner für deine Vintage Gibson F2 bis F5 ovalen Soundhole-Mandolinen (und mehr!).
Machen Sie es sich nicht mit kurbeligen alten Tunern gemütlich, die nicht funktionieren! Sie müssen kein Vintage-Instrument mehr für moderne Tuner modifizieren, die nie richtig aussehen. Wir haben die besten Restaurationstuner für Ihre 1918-1922 Mandolins, Mandolas und Mandocellos entwickelt.
Der richtige Look mit besseren Gibson
-Mandolinen, Mandolas und Mandocellos aus dem frühen 1920er . Seien wir ehrlich, der Nachteil ist der unvermeidliche Ausfall der Tuner. Die Zahnräder frieren ein, die Knöpfe brechen und fallen ab, so dass diese großartigen Instrumente nicht mehr spielbar sind.
Diese Vintage-Tuner passen in den ursprünglichen Steckkopfabstand, ohne dass Änderungen erforderlich sind. Wir haben den ursprünglichen „Mickey Maus“-Footprint und die ovalen Ivoroid-Schaltflächen dupliziert – nur Sie werden wissen, dass sie geändert wurden. Diese Tuner sparen Zeit und Originalität und sehen genau richtig aus.
Wir haben diese für 1918 bis Ende 1922 Gibson F2 bis F5 Mandolinen, H1 bis H4 Mandolen und K bis K4 Mandocellos hergestellt. Und sie passen auch für 1904 bis 1917 F2 bis F4 Mandoline (ohne die eingelegten Handel Tuner Buttons).
Stellen Sie Ihre Vintage-Mandoline auf die richtige Weise wieder her!
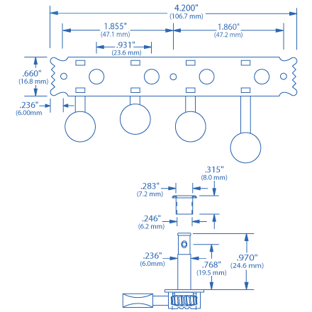
Übersetzungsverhältnis: 15:1
Buchsendurchmesser: 0,283" (7,19 mm)
Durchmesser der Stringstange: 0,236" (6 mm)
Abstand der Stringstange: Früh 1900er .931" (23,65 mm)
- Die Details sind ebenfalls korrekt:
- Quadratische Schneckenstützen
- Schneckengetriebeschrauben mit gerader Nut
- Montageschrauben mit geradem Schlitz und Rundkopf
- Jedes Set enthält:
- Paar 4-links-, 4-rechts-Tuning-Maschinen
- Presssitz-Steckkopfbuchsen
- Befestigungsschrauben
- Artikel #
- Gewicht
- 2522-G
- 0,320 lbs. (0,15 kg)
- 2522-N
- 0,320 lbs. (0,15 kg)
- 2522-RN
- 0,330 lbs. (0,15 kg)






