Klassische Sloane Gitarren-Tuner mit Schlangenholzknöpfen und Deko-Basisplatten
Handgefertigte klassische Sloane Tuner sind die erste Wahl für viele Konzertgitarren. Hochwertige Komponenten, innovatives Design und sorgfältige Handwerkskunst sorgen für eine unvergleichliche Tuning-Leistung. Entworfen vom wegweisenden Luthier Irving Sloane – jetzt von Waverly gefertigt und raffiniert.
Überlegenes Design
- Verbesserte pulverbeschichtete Aluminiumrollen mit Innenwellen aus Messing und mit Messing ausgekleideten Befestigungslöchern. Keine Risse, kein vorzeitiger Verschleiß.
- Patentierte Buchsen eliminieren Lockerheit im Schneckengetriebe für eine beeindruckend präzise Abstimmung und ein glattes Tragegefühl.
- Grundplatten und Stützpfosten sind einteiliges, CNC-gefrästes Messing und stabiler als herkömmliche Nietbaugruppen.
- Präzise Kugellager auf jeder Strangrolle verhindern Binding und sorgen für eine neue Stufe der reibungslosen, mühelosen Abstimmung für den Künstler.
Langlebige Getriebe
- 16:1 Kronenzahnräder aus Bronzelegierung sind haltbarer als die Messingzahnräder, die in anderen Tunern verwendet werden.
- Schnecken und Schrauben aus Edelstahl sorgen für eine längere Lebensdauer bei geringerem Verschleiß.
Mit seiner wunderschönen Farbvariante ist exotisches Schlangenholz ideal für einen unkonventionellen und modernen Look. Die Messinggrundplatten erhalten eine schöne antike Patina.
Produktangaben
- 16:1 Modernes Übersetzungsverhältnis
- Knöpfe aus Schlangenholz
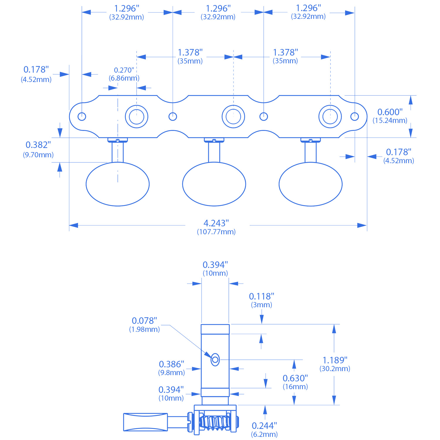
- Strangrollen mit 3/8" (9,8 mm) Durchmesser und 13/32" (10 mm) Kugellagern
- 1-3/8" Strangrollenabstand (35 mm)
- Montagezubehör im Lieferumfang enthalten
- Satz mit zwei Platten: 3-links/3-rechts-Tuner
InstallationstippsBohren
Sie Pilotbohrungen für Befestigungsschrauben:
Die Installation empfindlicher Schrauben in Hartholz erfordert große Sorgfalt und Genauigkeit. Wir empfehlen dringend den # 1711 Tiefenstopp-Bohrer (Nr. 50 Bit) für das Pilotloch, bevor diese Schrauben installiert werden. Schmiere die Schraubengewinde mit Schneideschmiermittel (auch Wachs oder Seife ist möglich) ein, damit sie besser gleiten und sich leichter eindrehen lassen.
Sloane Tuner sind die Wahl der renommierten Luthier
Greg Brandt, USA
Greg Byers, USA
Rolf Eichinger, Spanien
Jean-Marie Fouilleul, Frankreich
Armin Gropp, Deutschland
Armin Hanika, Deutschland
Hill Guitars, USA
Bert Kwakkel, Niederlande
David LaPlante, USA
Augustino Lo Prinzi, USA
Maingard Guitars, Südafrika
Hiroshi Mizuhara, Japan
Thomas Rein, USA
Dake Traphagen, USA
Otto Vowinkel, Niederlande
-
- Artikel #
- Gewicht
-
- 100618
- 0,29 kg (0,652 lbs.)




