Waverly 3-On-PlateGitarren-Tuner mit Schlangenholzknöpfen für Stecknäpfen
Moderne Präzision und Vintage-Stil für geschlitzte Kopfstock-Gitarren mit Stahlstring. Seit Jahrzehnten sind Waverly-Tuner der Standard, an dem alle anderen Tuner gemessen werden. Erlebe die Tuning-Stabilität und -Leistung, die du verpasst hast.
Für maximale Abstimmungsgenauigkeit verfügen unsere Präzisionsplatten- 16:1 Maschinen über dieselben Zahnräder und patentierte Schneckenbuchsen mit Gewinde, die auf allen Waverly-Maschinen zu finden sind. Die Messing-Stringpfosten sind für echte Eleganz und Stil auf polierten Messing-Basisplatten montiert.
Jede Grundplatte ist präzise CNC-gefräst aus Massivmetall für eine perfekte Ausrichtung im Kopfteil. Diese kunstvoll gravierten Teller reifen zu einer schönen Patina, die für das Aussehen und die Haptik von Qualität sorgt.
Direkter Austausch Beim
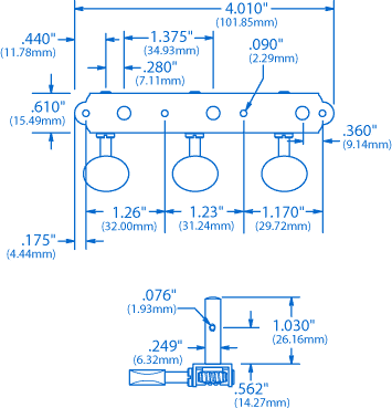
Austausch ähnlicher Vintage-Maschinen auf älteren Martin-, National- und Dobro-Gitarren müssen keine zusätzlichen Montagelöcher gebohrt werden. Abmessungen zum Vergleich mit den Tunern des Geräts sind den technischen Daten zu entnehmen.
Präzise Abstimmung von Lied zu Lied
Das 16:1 Übersetzungsverhältnis-Design verfügt über unsere patentierten Schneckenbuchsen mit Gewinde, um Lockerheit zu beseitigen und einen beeindruckenden reibungslosen Betrieb zu gewährleisten. Du spielst in der Melodie und bleibst in der Melodie.
Lange Lebensdauer bei geringerem Verschleiß
Die Edelstahl-Schneckengetriebe verfügen über zwei Buchsen für eine unübertroffene Lebensdauer Jahr für Jahr. Die Strangstangenräder werden aus Bronzelegierung gefertigt, die viel haltbarer ist als Messing. Messingstringwellen haben einen Durchmesser von 1/4" mit einem Abstand von 1-3/8" (34,93 mm).
Mit seiner wunderschönen Farbvariante ist exotisches Schlangenholz ideal für einen nicht traditionellen, modernen Look. Das Tuner-Set enthält geschlitzte Rundkopf-Befestigungsschrauben.
Hergestellt aus den feinsten Materialien
- Basisplatten aus poliertem Massivmessing
- Präzisions-CNC-bearbeitete Basisplatten für perfekte Ausrichtung
- Schneckengetriebe aus Edelstahl
- Nylon-Schneckengetriebebuchsen für ein glatteres Tragegefühl
- Bearbeitetes Bronzelegierungs-Strangstiftgetriebe
- 1/4"-Strangstifte aus bearbeitetem Messing
- Schlitzkopfschrauben im Vintage-Stil
Produktangaben
- 16:1 Modernes Übersetzungsverhältnis
- Knöpfe aus Schlangenholz
- 1/4" Strangstifte mit 1-3/8" Abstand (34,93 mm)
- Montagezubehör im Lieferumfang enthalten
- Satz mit zwei Platten: 3-links/3-rechts-Tuner
Installationsspitzen Bohren
Sie Pilotbohrungen für für Befestigungsschrauben:Die
Installation empfindlicher Schrauben in Hartholz erfordert große Sorgfalt und Genauigkeit. Wir empfehlen dir den Bohrer mit Tiefenanschlag (# 1712) (5/64"-Bohrer) für das Vorbohren, bevor du diese Schrauben einbaust. Schmiere die Schraubengewinde mit Schneideschmiermittel (auch Wachs oder Seife ist möglich) ein, damit sie besser gleiten und sich leichter eindrehen lassen.
Waverly-Stimmmechaniken: die erste Wahl bekannter Gitarrenbauer
| Altman Bear Creek Beard Bedell Guitars Borges Bourgeois Breedlove Buscarino Collings Franks Froggy Bottom Galloup Gibson Goodall |
Hooper Huss & Dalton Kallenbach Knaggs Ko'olau Kopp Larrivée Lewis Lucas Maingard Martin Merrill National |
Paul Reed Smith Proulx Rockbridge RoZaWood Sams Santa Cruz Schaefer Schoenberg Sexauer Skipper Steinegger Tippin Webber |
„Sie halten die Stimmung und sehen hervorragend aus … natürlich empfehle ich Waverly.“ – Dick Boak, Martin Guitars
„Unsere Lieblings-Stimmmechaniken.“ – Collings Guitars
„Die besten Stimmmechaniken auf dem Markt.“ – Tony Rice
„Wer schlechtere Stimmmechaniken benutzt, macht sich nur das Leben schwer.“ – Jorma Kaukonen
„Schnelles und präzises Stimmen auf der Bühne oder im Studio ist jetzt kein Problem mehr, und endlich sehen die Stimmmechaniken so gut aus wie das Instrument selbst. Was haben wir nur gemacht, bevor es Waverlys gab?“ – Steve James, Austin TX
„Schnelles Stimmen auf der Bühne oder im Tonstudio … leichtgängig und gut ausbalanciert.“ – Herb Pedersen
„Sie funktionieren genauso gut, wie sie aussehen. Einfach die Besten!“ – Jim Merrill, Merrill Guitars
„Einfach die besten Stimmmechaniken auf dem Markt für Akustikgitarren – ich würde keine anderen nehmen.“ – Dakota Dave Hull
„Als würdest du eine Rolex an deine Gitarre hängen!“ – M.J. Franks Guitars
-
- Artikel #
- Gewicht
-
- 3504-BR
- 0,25 kg (0,553 lbs.)

