KTS Titansättel für Nashville Tune-o-matic Bridge – 6er-Set
Möchten Sie Ihre Tune-o-matic aufwecken? Upgrade mit Titan!
Top-Bauer und Spieler schwören auf die Ton-in-Ton-Vorteile von Titansätteln. Titan ist leichter als Stahl, aber viel härter. Diese Sättel sind extrem langlebig, korrosionsbeständig und können den Ton verbessern und erhalten.
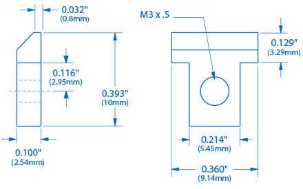
Diese KTS Sättel sind ein Ersatz für deinen Gibson® oder unsere Nashville Tune-o-matic Brücke. Sie haben die gleiche Form und die gleichen Gewinde wie deine ursprünglichen Sättel. Sie werden in Japan präzise mit extrem hohen Toleranzen gefertigt.
Wie klingen sie?
Die Installation von Titansätteln wird Ihren Ton sofort ändern. Nutzer berichten, dass ihre Gitarren mehr Notiztrennung und eine verbesserte Definition von Zeichenfolge zu Zeichenfolge haben. Viele sagen auch, dass das geringere Gewicht die Gitarre dynamischer macht und den harmonischen Inhalt verbessert.
KTS Titanium Sattel werden von The Gibson Custom Shop, The Fender Custom Shop, Tom Anderson Guitar Works, The Ibanez Custom Shop, Michael Tobias Design, Lentz Guitar, Manson Guitar Works und vielen anderen installiert.
Finde das Set, das zu deiner Gitarre passt
. Wir haben auch Sättel für Original ABR-1 Tune-o-matics . Haben Sie eine Stratifizierung? Wir haben auch KTS Titansättel für Strat . Bitte messen Sie Ihre Brücke vor der Bestellung.
Tipp: Nutting-Sättel im Tune-o-matic-StilNut
-Slotting -Dateien eignen sich hervorragend für Titansättel. Wähle die gleiche Feilengröße wie beim Schlitzen eines Sattels: Nimm die gleiche Stärke wie die Saite oder ein paar Tausendstel größer. Wenn du die gewünschte Tiefe erreicht hast, solltest du den Schlitz mit „Mitchell’s Abrasive Cords“-Schleifschnur polieren, um Feilspuren und Grate zu entfernen.
- Artikel #
- Gewicht
- 4674
- 0,040 lbs. (0,02 kg)


