„Gotoh Modern Bridge“ für Telecaster
Eine hübschere Version der traditionellen Tele®-Brücke mit sechs vollständig verstellbaren Sätteln für Fadenhöhe, Radius und Intonation.
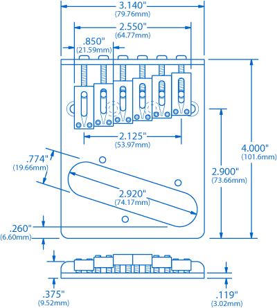
Zur Verwendung mit einer Telebrückenaufnahme und einem Durchkorpus-String-Aufsatz. Dies ist eine schwerere Brücke mit einer massiven Messing-Basisplatte und allen verstellbaren Messingsätteln. Befestigungsschrauben enthalten.Zeichenfolgen-Ausbreitung 2-1/8" (53,97 mm)
Sattel-Abmessungen
Breite 13/32" (10,32 mm)
Länge 15/16" (23,81 mm)
Höhe 7/32" (5,56 mm)
Verwenden Sie einen 1,5 mm -Inbusschlüssel zur Einstellung der Sattelhöhe.
Abmessungen der Grundplatte 4" x 3-1/8" (101,60 mm x 79,38 mm)
Vier Befestigungsschraubenlöcher haben eine Mitte-zu-Mitte-Spreizung von 2,550" (64,77 mm).
Mit unserem kostenlosen Online-Tool- Fret-Positionsrechner finden Sie die Brücke für jede Skala.
- Artikel #
- Gewicht
- 0025
- 0,5532 lbs. (0,25 kg)
- 0025-B
- 0,5532 lbs. (0,25 kg)
- 0025-G
- 0,5532 lbs. (0,25 kg)








