Schaller Klassische Gitarrenmaschinen
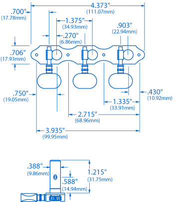
Hochwertige 16:1 Hauser-Tuner für klassische Nylon-Gitarren mit Schlitzkopf und 1-3/8" (35 mm) Strangrollenabstand.
Die Rollenhülsen sind aus strapazierfähigem, weißem Kunststoff mit einem Durchmesser von 3/8" (9,53 mm). Die Knöpfe sind aus wunderschönem perlmuttfarbenem Kunststoff oder poliertem Ebenholz.
Jedes Set enthält ein Paar 3-Links/3-Rechts-Abstimmmaschinen mit Befestigungsschrauben.
Tipps für den Einbau
Abstand der Zapfenlöcher: Plattenmontierte Tuner können nicht effizient arbeiten, wenn die Zapfenlöcher nicht richtig ausgerichtet sind. Unsere Tuning Machine Drill Jig für geschlitzte Zapfenköpfe gewährleistet den richtigen 1-3/8"-Strangrollenabstand für eine genaue Abstimmung.
Befestigungsschrauben: Vorbohren ist nötig. Das Eindrehen von dünnen Schrauben in hartes Holz erfordert viel Sorgfalt und Genauigkeit. Wir empfehlen dir den Bohrer mit Tiefenanschlag (# 1712) (5/64"-Bohrer) für das Vorbohren, bevor du diese Schrauben einbaust. Schmiere die Schraubengewinde mit Schneideschmiermittel (auch Wachs oder Seife ist möglich) ein, damit sie besser gleiten und sich leichter eindrehen lassen.
- Artikel #
- Gewicht
- 0646
- 0,3086 lbs. (0,14 kg)
- 0646-G
- 0,3086 lbs. (0,14 kg)
- 0653-G
- 0,3112 lbs. (0,14 kg)








